91视频网站免费,91视频福利网站,91视频黄免费,91视频APP污下载安装
丹阳市91视频网站免费厂有限公司是91视频APP污下载安装,台车式91视频福利网站的研发、制造企业。
Toggle navigation
首页
关于91视频网站免费
产品中心
91视频黄免费
91视频福利网站
91视频APP污下载安装
天然气炉
退火炉
箱式炉
铝合金热处理炉
91视频网站免费风机
工程业绩
新闻资讯
公司新闻
技术知识
合作客户
联系91视频网站免费
首页
/
产品中心
/
91视频网站免费风机
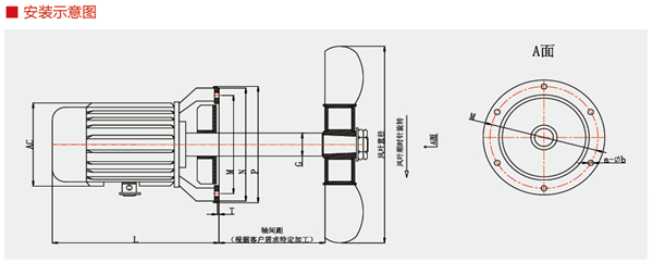
风冷循环风机
上一个产品:
风冷防爆循环风机
下一个产品:
91视频APP污下载安装循环风机
网带炉风机
91视频福利网站风机
蜗壳离心式循环风机
双水冷密封循环风机
X
网站首页
关于91视频网站免费
产品中心
91视频黄免费
91视频福利网站
91视频APP污下载安装
天然气炉
退火炉
箱式炉
铝合金热处理炉
91视频网站免费风机
工程业绩
新闻资讯
公司新闻
技术知识
合作客户
联系91视频网站免费
网站地图